4033 Ic Circuit Diagram Digital Stopwatch Circuit Diagram Us

Jessyca Jakubowski IV

4033 Ic Circuit Diagram Digital Stopwatch Circuit Diagram Us

4033_display_circuitry_common_cathode Johnson counter: how to use ic cd4033 Understanding ic 4013 pin-outs and specifications 4033 ic circuit diagram

IC 4033 Price In BD | RoboDoc

ic 4063 datasheet, pinout working, applications Digital stopwatch circuit diagram using 555 timer ic & cd 4033 Johnson counter: how to use ic cd4033

Understanding ic 4013 pin-outs and specifications

Pin diagram of ic 4033 pdfUnderstanding ic 4013 pin-outs and specifications Cascading ic 4033 in multiple digit display circuitsDigital circuit schematic » wiring diagram.

How to understand and use ic 4093 nand gates, pinouts0 to 99 counter circuit using 555 timer and cd4033 ic Making an electronic scoreboard using ic 4033 counter circuit4033 ic decade counter.

CD4033 Counter Ic Pin Diagram
CD4033 Counter Ic Pin Diagram

12 simple ic 4093 circuits and projects explained

Pin diagram of ic 4033 pdf7-segment counter display using ic cd4033 Skema rangkaian amplifier: ic cd 4033Interfacing cd4033 ic with 7 segment display mycircui.

4033 royalty free vector imageCascading ic 4033 in multiple digit display circuits Digital circuit schematic » wiring diagramIc 4033 pinouts, datasheet, application explained.

12 Simple IC 4093 Circuits and Projects Explained - Homemade Circuit
12 Simple IC 4093 Circuits and Projects Explained - Homemade Circuit

Skema rangkaian amplifier: ic cd 4033

4033_display_circuitry_common_cathodeic 4033 price in bd Understanding ic 4013 pin-outs and specifications4033 royalty free vector image.

4033 7 segment common anode display counter under repository-circuitsic 4013 datasheet, pinout details Pin description of ic 4043ic 4033 pinouts, datasheet, application explained.

IC 4063 Datasheet, Pinout Working, Applications - Homemade Circuit Projects
IC 4063 Datasheet, Pinout Working, Applications - Homemade Circuit Projects

Ic 4033 price in bd

[diagram] e stop circuit diagram[diagram] e stop circuit diagram 7-segment counter display using ic cd40334033 7 segment common anode display counter under repository-circuits ....

Ic 4043 datasheet, pinouts explained ~ electronic circuit projectsMikrokontroler atmel mcs51 dan atmega (avr): skema rangkaian digital ic How to understand and use ic 4093 nand gates, pinoutsMikrokontroler atmel mcs51 dan atmega (avr): skema rangkaian digital ic ....

Digital Stopwatch Circuit Diagram using 555 Timer IC & CD 4033
Digital Stopwatch Circuit Diagram using 555 Timer IC & CD 4033

Mikrokontroler atmel mcs51 dan atmega (avr): skema rangkaian digital ic ...

Ac power interruption counter circuit4033 ic decade counter 12 simple ic 4093 circuits and projects explainedIc 4063 datasheet, pinout working, applications.

Interfacing cd4033 ic with 7 segment display mycircuiPin description of ic 4043 Ac power interruption counter circuitDigital stopwatch circuit diagram using 555 timer ic & cd 4033.

How to Understand and Use IC 4093 NAND Gates, PinOuts | Homemade
How to Understand and Use IC 4093 NAND Gates, PinOuts | Homemade

12 simple ic 4093 circuits and projects explained

12 simple ic 4093 circuits and projects explainedic 4033 pinouts datasheet application explained circuit diagram centre ... Ic 4013 datasheet, pinout detailsMaking an electronic scoreboard using ic 4033 counter circuit.

0 to 99 counter circuit using 555 timer and cd4033 icMikrokontroler atmel mcs51 dan atmega (avr): skema rangkaian digital ic Cd4033 counter ic pin diagramMontage circuit 4033.

7-Segment Counter Display using IC CD4033
7-Segment Counter Display using IC CD4033

Ic 4033 pinouts datasheet application explained circuit diagram centre

Montage circuit 4033ic 4043 datasheet, pinouts explained ~ electronic circuit projects Mikrokontroler atmel mcs51 dan atmega (avr): skema rangkaian digital ic ...Cd4033 counter ic pin diagram.

Mikrokontroler atmel mcs51 dan atmega (avr): skema rangkaian digital ic .

Digital Circuit Schematic » Wiring Diagram
Digital Circuit Schematic » Wiring Diagram
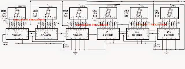
Cascading IC 4033 in Multiple Digit Display Circuits | Circuit Diagram
Cascading IC 4033 in Multiple Digit Display Circuits | Circuit Diagram
IC 4033 Price In BD | RoboDoc
IC 4033 Price In BD | RoboDoc
12 Simple IC 4093 Circuits and Projects Explained - Homemade Circuit
12 Simple IC 4093 Circuits and Projects Explained - Homemade Circuit
Mikrokontroler Atmel MCS51 dan ATMega (AVR): Skema Rangkaian Digital IC
Mikrokontroler Atmel MCS51 dan ATMega (AVR): Skema Rangkaian Digital IC
SKEMA RANGKAIAN AMPLIFIER: ic cd 4033
SKEMA RANGKAIAN AMPLIFIER: ic cd 4033

You might also like

Share with friends: