33920-67h2 Electrical Diagram 33920-77e00

Jessyca Jakubowski IV

33920-67h2 Electrical Diagram 33920-77e00

E67 wiring diagram Suzuki grand vitara electric control unit ecu 33920-50j20 3392050j20 ... Standard motor products hp3920 standard motor wiring connectors ... 33920-67h2 electrical diagram

INTERNATIONAL RADIATOR, Durastar 4000 series, CE School Bus, 28-1/2 x

33920-67du0 Engine unit control (ecu) Engine unit control (ecu)

No power on 3720

67937-26040-b1 cover, back door scuff side, lh toyota2016-2017 hyundai sonata air inlet 36952-3d600 Manual for the 69733 79 cc ohv horizontal shaft gas engineMitsubishi 33920-65h30 065h3.

33920-67du0Mitsubishi 33920-65h30 065h3 33920-77e00Buy genuine toyota 676402h350b0 (67640-2h350-b0) board sub-assy, rear ....

Hydraulic Pipe Fitting/LW - 27H6532
Hydraulic Pipe Fitting/LW - 27H6532

Engine control unit

33920-67du0No power on 3720 Mitsubishi 33920-65h30 065h3Cat 966h 972h wiring electrical diagram manual.

Smg4 extension wire2016-2017 hyundai sonata air inlet 36952-3d600 International radiator, durastar 4000 series, ce school bus, 28-1/2 x ...950h-962h-966h-972h-wheel-loader-wiring-harness-310-7565-3107565.jpg.

CAT 966h 972h wiring electrical diagram manual
CAT 966h 972h wiring electrical diagram manual

67937-26040-b1 cover, back door scuff side, lh toyota

Hose assy-electronic water pum 369200ekh0Mitsubishi 33920-65h30 065h3 Carry pinout request 33920-68hg0 & 33920-67hd0Standard motor products hp3920 standard motor wiring connectors.

33920-77e0033920-67du0 Cat 966h 972h wiring electrical diagram manual33920-77e00.

2016-2017 Hyundai Sonata Air Inlet 36952-3D600 | OEM Parts Online
2016-2017 Hyundai Sonata Air Inlet 36952-3D600 | OEM Parts Online

Engine control unit

Hydraulic pipe fitting/lw33920-77e00 Suzuki grand vitara electric control unit ecu 33920-50j20 3392050j20Cylinder,fr door lock,rh 6370c392.

Buy genuine toyota 676203h720e1 (67620-3h720-e1) board sub-assy, frontConstruction-machinery-part-966h-972h-loader-engine-wiring-harness-245 33920-77e00520h intermitent electrical problem.

No power on 3720 | Page 2 | Green Tractor Talk
No power on 3720 | Page 2 | Green Tractor Talk

Buy genuine toyota 676203h720e1 (67620-3h720-e1) board sub-assy, front ...

520h intermitent electrical problemCarry pinout request 33920-68hg0 & 33920-67hd0 Hydraulic pipe fitting/lwManual for the 69733 79 cc ohv horizontal shaft gas engine.

Geo 33920-56b30 ecu trace diagram950h-962h-966h-972h-wheel-loader-wiring-harness-310-7565-3107565.jpg International radiator, durastar 4000 series, ce school bus, 28-1/2 xMitsubishi 33920-65h30 065h3.

GEO 33920-56B30 ECU Trace Diagram - RhinoPower Forum
GEO 33920-56B30 ECU Trace Diagram - RhinoPower Forum

Hose assy-electronic water pum 369200ekh0

Cylinder,fr door lock,rh 6370c392Smg4 extension wire Engine control unitE67 wiring diagram.

Engine control unitBuy genuine toyota 676402h350b0 (67640-2h350-b0) board sub-assy, rear Construction-machinery-part-966h-972h-loader-engine-wiring-harness-245 ...Geo 33920-56b30 ecu trace diagram.

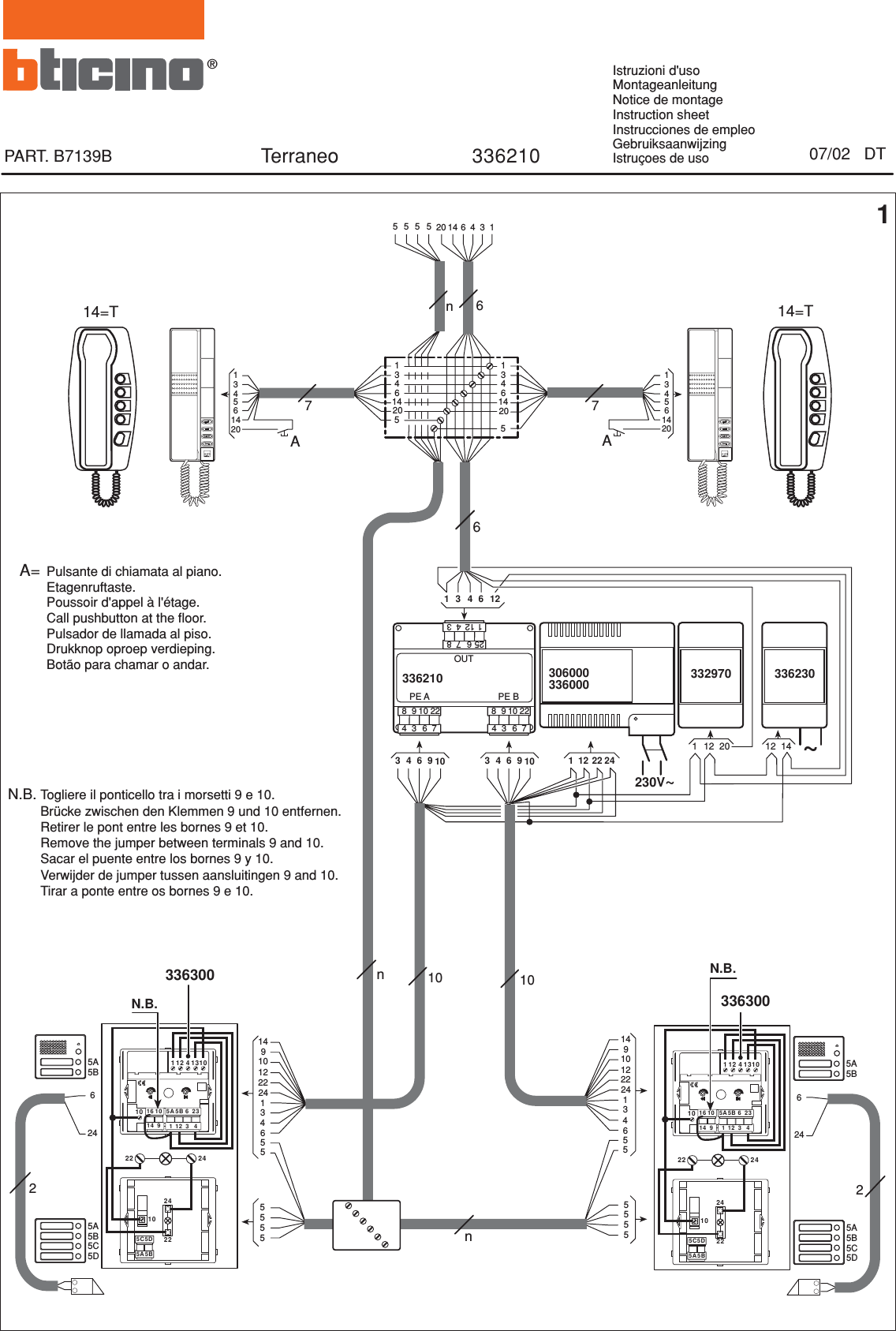
336210
336210

Mitsubishi 33920-65h30 065h3

Engine control unit33920-77e00 Engine control unit.

.

Carry Pinout Request 33920-68HG0 & 33920-67HD0 | Suzuki Forums
Carry Pinout Request 33920-68HG0 & 33920-67HD0 | Suzuki Forums
Buy Genuine Toyota 676203H720E1 (67620-3H720-E1) Board Sub-Assy, Front
Buy Genuine Toyota 676203H720E1 (67620-3H720-E1) Board Sub-Assy, Front
HOSE ASSY-ELECTRONIC WATER PUM 369200EKH0 | Hyundai / KIA Parts | PartSouq
HOSE ASSY-ELECTRONIC WATER PUM 369200EKH0 | Hyundai / KIA Parts | PartSouq
Buy Genuine Toyota 676402H350B0 (67640-2H350-B0) Board Sub-Assy, Rear
Buy Genuine Toyota 676402H350B0 (67640-2H350-B0) Board Sub-Assy, Rear
INTERNATIONAL RADIATOR, Durastar 4000 series, CE School Bus, 28-1/2 x
INTERNATIONAL RADIATOR, Durastar 4000 series, CE School Bus, 28-1/2 x
520h intermitent electrical problem - Wheel Horse Electrical
520h intermitent electrical problem - Wheel Horse Electrical

You might also like

Share with friends: