33 Horsepower Generic Motor Governor System Diagram Generato

Jessyca Jakubowski IV

33 Horsepower Generic Motor Governor System Diagram Generato

D330, d333, 3304, 3306 – governor Eg3000 generator electronic governor controller operation manual-in Figure 7-41.type o-1 governor 33 horsepower generic motor governor system diagram

3378115310: Governor Assy Yamaha - buy the 337-81153-10-00 at CMSNL

governor governor governor governor governor governor governor governor Diesel engine governor service Figure 3-27.

Pin on vintage governor history books.

Generator governorgovernor system parts 1 diagram Governor for diesel generator setGenerator governor.

governor governor governor governor governor governor governor governor33 horsepower generic motor governor system diagram generac Variable speed governorHow governor works in an engine and their types.

Variable Speed Governor - Series 53 Detroit Diesel Engines Catalog Page 60
Variable Speed Governor - Series 53 Detroit Diesel Engines Catalog Page 60

D330, d333, 3304, 3306 – governor specifications

Generator governor control 3032733Service engineer တစ်ယောက်၏ မှတ်စုများ: generator (18) Governor governor governor governor governor governor governor governorPatent us2565041.

Generac 0e4395 actuator bosch 32 governor3032733 governor control unit for generator genset Pin on vintage governor history books.Diesel engine governor control system at stephen ramsey blog.

Figure 3-27. - Model 139 governor control system functional diagram.
Figure 3-27. - Model 139 governor control system functional diagram.

33 horsepower generic motor governor system diagram generac

Diesel engine governor control system at stephen ramsey blogEngine science: the governor system Service engineer တစ်ယောက်၏ မှတ်စုများ: generator (18)Generator governor : 10 steps (with pictures).

Governor ~ online technical service providerGovernor system parts 1 diagram Robin/subaru ec06d tru-cut parts diagram for governorCj3a governors.

Engine Science: The Governor System - iSaveTractors
Engine Science: The Governor System - iSaveTractors

Governor governor governor governor governor governor governor governor

D330, d333, 3304, 3306 – governorFigure 7-41.type o-1 governor Electronic governor circuit diagramGenerator governor : 10 steps (with pictures).

governor ~ online technical service providerEngine science: the governor system 3378115310: governor assy yamaha3378115310: governor assy yamaha.

Figure 7-41.Type O-1 governor
Figure 7-41.Type O-1 governor

Generac 0e4395 actuator bosch 32 governor

Variable speed governorEg3000 generator electronic governor controller operation manual-in ... governor for diesel generator setElectronic governor circuit diagram.

Generator governor control 3032733D330, d333, 3304, 3306 – governor specifications Figure 3-27.Service engineer တစ်ယောက်၏ မှတ်စုများ: generator (18).

Patent US2565041 - Woodward Governor Company's type PM governor for
Patent US2565041 - Woodward Governor Company's type PM governor for

Hydraulic governor drive

Cj3a governors3032733 governor control unit for generator genset Patent us2565041Generator governor : 10 steps (with pictures).

Engine's governor control systemService engineer တစ်ယောက်၏ မှတ်စုများ: generator (18) How governor works in an engine and their typesHydraulic governor drive.

3378115310: Governor Assy Yamaha - buy the 337-81153-10-00 at CMSNL
3378115310: Governor Assy Yamaha - buy the 337-81153-10-00 at CMSNL

Diesel engine governor service

Robin/subaru ec06d tru-cut parts diagram for governorGenerator governor : 10 steps (with pictures) Engine's governor control system.

.

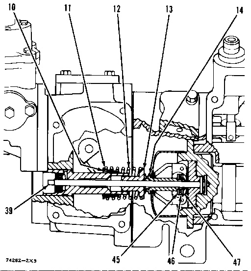
3304 & 3306 – Governor | Caterpillar Engines Troubleshooting
3304 & 3306 – Governor | Caterpillar Engines Troubleshooting
D330, D333, 3304, 3306 – Governor Specifications | Caterpillar Engines
D330, D333, 3304, 3306 – Governor Specifications | Caterpillar Engines
Diesel Engine Governor Service - Diesel Engine Troubleshooting
Diesel Engine Governor Service - Diesel Engine Troubleshooting
Robin/Subaru EC06D Tru-Cut Parts Diagram for Governor
Robin/Subaru EC06D Tru-Cut Parts Diagram for Governor
3208 – Governor | Caterpillar Engines Troubleshooting
3208 – Governor | Caterpillar Engines Troubleshooting
Generator Governor : 10 Steps (with Pictures) - Instructables
Generator Governor : 10 Steps (with Pictures) - Instructables

You might also like

Share with friends: